客户服务
点击这里给我发消息
点击这里给我发消息
点击这里给我发消息
首 页 公司简介 产品中心 新闻中心 车间设备 企业荣誉 在线留言 联系我们
 
CDT系列半电动堆高车
YCY型轴向柱塞泵
SCY型轴向柱塞泵
PCY型轴向柱塞泵
CY14-1B型轴向柱塞油泵
MCY14-1B型轴向柱塞泵
CBWL-E3/E3 双联齿轮油泵
CBT-F4齿轮油泵
YCB系列不锈钢圆弧保温泵
NCB内啮合齿轮泵
3G三螺杆泵
CLM系列低压齿轮马达
WXBZ-B200~1000型卧式低噪音大流量斜形齿轮油泵装置
KF系列可逆双向摆线齿轮油泵
CB型齿轮油泵
44泵45泵
SXCB系列摆线双向齿轮油泵
SXCB摆线双向齿轮泵电机组(立卧式)
CB-B系列低压齿轮油泵
CBK-F200系列齿轮泵
CB1-B多功能齿轮泵
CB-B型立卧齿轮油泵电机组
LBZ型立式油泵装置
CBW-F2系列齿轮泵
CBK-H200系列双向齿轮泵
WBZ型齿轮油泵装置(卧式)
T8642双向齿轮油泵
S型输油泵电机组
CBW系列中高压齿轮油泵
WCB系列低压齿轮油泵
CBJ(HY01)系列齿轮油泵
CB-B系列低压多联齿轮油泵
CB-B160~500低噪音圆形大流量齿轮油泵
CB-B600~1000低噪单圆形大流量齿轮油泵
2KF-150双向齿轮泵
CB-B600~1000低噪音大流量齿轮油泵(椭圆形)
BB-B系列摆线齿轮油泵
BB-B型摆线齿轮泵电机组(立卧)
BB-B※Y系列摆线齿轮油泵
CBS-E系列双向齿轮泵
BB-B※YZL型摆线转子油泵电机组
SNBY型双向润滑油泵
DBB系列双向齿轮油泵
2KF可逆摆线双向润滑油泵
SXF系列双向润滑油泵
SXF-2.5(4.5)双向润滑油泵
可逆式摆线齿轮油泵
CB-BNS陶瓷不锈钢齿轮泵
NGWB型低噪音内齿合摆线油泵
NGWB型低噪音内齿合摆线油泵电机组
ZCB转子式油泵电机装置
RHB润滑摆线齿轮油泵电机组
RHB型润滑摆线齿轮油泵
GY01-1.5X1.0型单联齿轮油泵电机组
GY01-1.5X1.0型单联齿轮油泵
R12-1润滑泵
GY01-1.5X1.5双联齿轮油泵
YB1型定量叶片泵
DJB系列电动专用加油泵
PV2R1系列高压低噪声叶片泵
CBN-E300系列中高压齿轮泵
CBT-F500系列齿轮泵
CBN-E(F)500系列齿轮泵
CBK-F200系列齿轮泵
CBW-F2系列齿轮油泵
CBW-*3系列齿轮油泵
CB-FA(FC)型高压齿轮泵
CM-FA(FC)型高压齿轮马达
NL型内齿形弹性联轴器
ML梅花型弹性联轴器
6.3MPa系列中低压阀
GZQ型给油指示器
YZ系列液压站
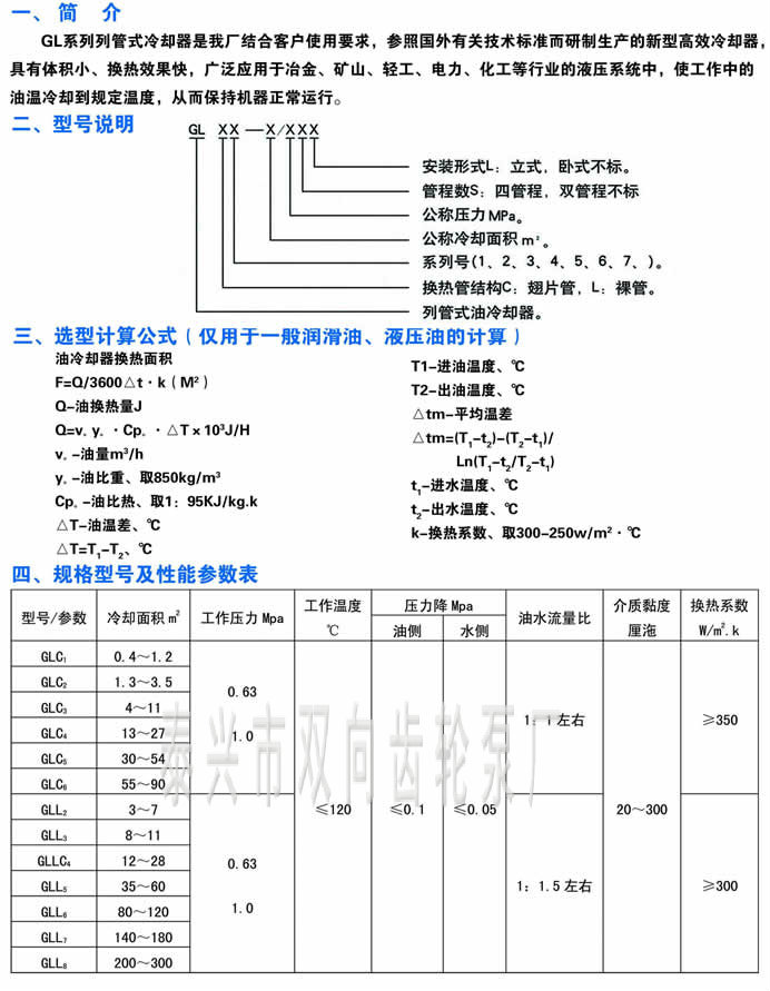
GL系列列管式冷却器
SGLL型双联油冷却器
SL型冷却器
LQ系列冷却器
FL系列空气(风)冷却器
LUC系列精细虑油车
KCB(2CY)输油泵
Y系列IP44三相异步电动机
搬运车
BB-G陶瓷不锈钢齿轮泵
CBF-*4齿轮油泵
TXLB160-500低噪音圆形大流量齿轮油泵
YB-E叶片泵
 
 
产品中心
您现在的位置:首页> 产品中心

GL系列列管式冷却器


 
 
[返回]   [打印窗口]   [关闭窗口]

江苏双向泵阀有限公司专业生产油泵|齿轮泵|齿轮油泵|双向润滑油泵|摆线油泵|叶片泵|柱塞泵|液压油泵|润滑泵

专业生产CB-B系列齿轮油泵|CB2系列齿轮油泵|CB2-B系列齿轮油泵|CB3系列齿轮油泵|NB-B系列摆线泵|BB-B系列摆线齿轮泵|HY01系列齿轮油泵|齿轮油泵电机组|SNBY系列双向润滑油
版权所有:江苏双向泵阀有限公司 Copyright(C) tx1588.com All rights reserved 地址:泰兴市新街镇夏徐村西徐工业园区 .电话:0523-87491508 传真:0523-87497508