客户服务
点击这里给我发消息
点击这里给我发消息
点击这里给我发消息
首 页 公司简介 产品中心 新闻中心 车间设备 企业荣誉 在线留言 联系我们
 
CDT系列半电动堆高车
YCY型轴向柱塞泵
SCY型轴向柱塞泵
PCY型轴向柱塞泵
CY14-1B型轴向柱塞油泵
MCY14-1B型轴向柱塞泵
CBWL-E3/E3 双联齿轮油泵
CBT-F4齿轮油泵
YCB系列不锈钢圆弧保温泵
NCB内啮合齿轮泵
3G三螺杆泵
CLM系列低压齿轮马达
WXBZ-B200~1000型卧式低噪音大流量斜形齿轮油泵装置
KF系列可逆双向摆线齿轮油泵
CB型齿轮油泵
44泵45泵
SXCB系列摆线双向齿轮油泵
SXCB摆线双向齿轮泵电机组(立卧式)
CB-B系列低压齿轮油泵
CBK-F200系列齿轮泵
CB1-B多功能齿轮泵
CB-B型立卧齿轮油泵电机组
LBZ型立式油泵装置
CBW-F2系列齿轮泵
CBK-H200系列双向齿轮泵
WBZ型齿轮油泵装置(卧式)
T8642双向齿轮油泵
S型输油泵电机组
CBW系列中高压齿轮油泵
WCB系列低压齿轮油泵
CBJ(HY01)系列齿轮油泵
CB-B系列低压多联齿轮油泵
CB-B160~500低噪音圆形大流量齿轮油泵
CB-B600~1000低噪单圆形大流量齿轮油泵
2KF-150双向齿轮泵
CB-B600~1000低噪音大流量齿轮油泵(椭圆形)
BB-B系列摆线齿轮油泵
BB-B型摆线齿轮泵电机组(立卧)
BB-B※Y系列摆线齿轮油泵
CBS-E系列双向齿轮泵
BB-B※YZL型摆线转子油泵电机组
SNBY型双向润滑油泵
DBB系列双向齿轮油泵
2KF可逆摆线双向润滑油泵
SXF系列双向润滑油泵
SXF-2.5(4.5)双向润滑油泵
可逆式摆线齿轮油泵
CB-BNS陶瓷不锈钢齿轮泵
NGWB型低噪音内齿合摆线油泵
NGWB型低噪音内齿合摆线油泵电机组
ZCB转子式油泵电机装置
RHB润滑摆线齿轮油泵电机组
RHB型润滑摆线齿轮油泵
GY01-1.5X1.0型单联齿轮油泵电机组
GY01-1.5X1.0型单联齿轮油泵
R12-1润滑泵
GY01-1.5X1.5双联齿轮油泵
YB1型定量叶片泵
DJB系列电动专用加油泵
PV2R1系列高压低噪声叶片泵
CBN-E300系列中高压齿轮泵
CBT-F500系列齿轮泵
CBN-E(F)500系列齿轮泵
CBK-F200系列齿轮泵
CBW-F2系列齿轮油泵
CBW-*3系列齿轮油泵
CB-FA(FC)型高压齿轮泵
CM-FA(FC)型高压齿轮马达
NL型内齿形弹性联轴器
ML梅花型弹性联轴器
6.3MPa系列中低压阀
GZQ型给油指示器
YZ系列液压站
GL系列列管式冷却器
SGLL型双联油冷却器
SL型冷却器
LQ系列冷却器
FL系列空气(风)冷却器
LUC系列精细虑油车
KCB(2CY)输油泵
Y系列IP44三相异步电动机
搬运车
BB-G陶瓷不锈钢齿轮泵
CBF-*4齿轮油泵
TXLB160-500低噪音圆形大流量齿轮油泵
YB-E叶片泵
 
 
产品中心
您现在的位置:首页> 产品中心

PCY型轴向柱塞泵
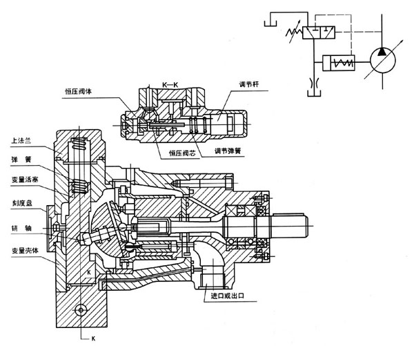
PCY型轴向柱塞泵结构原理简述
   这种变量型式的泵,输出压力小于调定恒压力时,全排量输出压力油,即定量输出,在输出油液的压力达到调定压力时,就自动地调节泵流量,以保持该恒压力,满足系统的要求。泵的输出恒压值,根据需要,在调压范围内可以无级调定。泵的结构见上图,该结构将输出压力油同时通至变量活塞下腔和恒压阀的控制油入口,当输出压力小于调定恒压力时,作用在恒压阀芯上的油压推力小于调定弹簧力,恒压阀处于开启状态,压力油进入变量活塞上腔,变量活塞压在最低位置,泵全排量输出压力油:当泵在调定压力工作时,作用在恒压阀芯上的油压推力等于调定弹簧力,恒压阀的进排油口同时处于开启状态,使变量活塞上下腔的油压推力相等,变量活塞平衡在某一位置工作,若液压阻尼(负载)加大,油压瞬时升高,恒压阀排油口开大、进油口关小,变量活塞上腔比较下腔压力降低、变量活塞向上移动,泵的流量减小,直至压力下降到调定恒压力,这时变量活塞在新的平衡位置工作。反之,若液压阻尼(负载)减小,油压瞬时下降,恒压阀进油口开大,排油口关小,变量活塞上腔比较下腔油压升高,变量活塞向下移动,泵的流量增大,直至压力上升至调定恒压力。
 
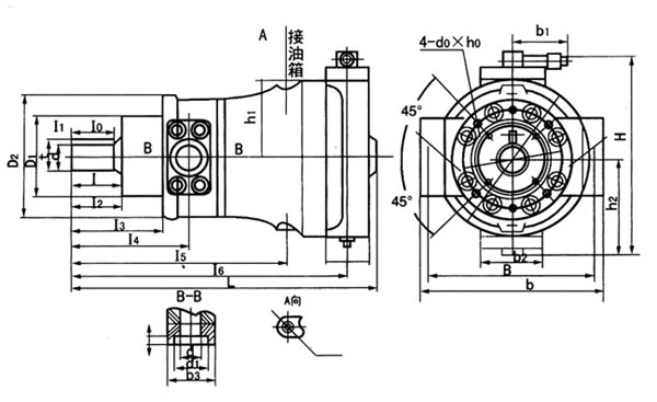
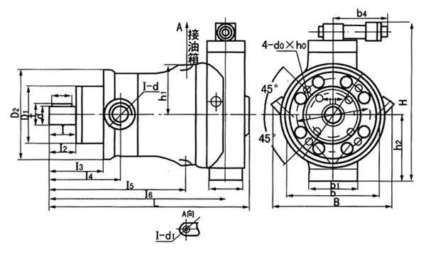
结构图
特性曲线
10.25.(32).40.63.(80)PCY14-1B括号内为PGY
 
160.250.(400)PCY14-1B
型号
进口
出口
回油口
10PCY14-1B
22×16
18×13
10×8
25(32)PCY14-1B
34×24
28×20
10×8
40PCY14-1B
42×30
34×24
12×10
63(80)PCY14-1B
50×38
42×30
12×10
160PCY14-1B
63×46
50×38
18×15
250PCY14-1B
75×55
63×46
18×15
400PGY14-1B
90×66
75×55
22×18
 
型号
B
b
b0
(N9)
b1
b2
b3
b4
D0
D1
(f9)
D2
D3
d
(h6)
d1
d2
d3
10PCY14-1B
180
142
8
50
88
110
100
75
125
150
25
M22×1.5
M14×1.5
25(32)PCY14-1B
191
172
8
66
100
110
125
100
150
170
30
M33×2
M14×1.5
40PCY14-1B
191
172
10
66
100
110
135
100
150
170
32
M39×2
M18×1.5
63(80)PCY14-1B
258
200
12
74
104
110
155
120
190
225
40
M42×2
M18×1.5
160PCY14-1B
322
340
16
100
120
90
110
198
150
240
300
55
50
64
M22×1.5
250PCY14-1B
385
420
18
100
140
110
110
230
180
280
360
60
55
76
M22×1.5
400PGY14-1B
385
420
18
100
140
110
110
230
180
280
360
60
65
76
M22×1.5
 
型号
H
h1
h2
h3
L
I
I0
I1
I2
I3
I4
I5
I6
t
d0×h0
10PCY14-1B
255
71
101
295
40
30
4
41
86
109
194
258
28
M10×25深
25(32)PCY14-1B
280
83
120
362
52
45
4
54
104
134
246
317
32.5
M10×25深
40PCY14-1B
280
83
120
362
52
45
4
54
104
134
246
317
35
M10×25深
63(80)PCY14-1B
329
108
140
440
60
50
4
62
122
157
300
389
42.8
M12×25深
160PCY14-1B
396
141
173
25
595
106
100
4
110
180
230
411
533
59
M16×35深
250PCY14-1B
465
170
210
25
691
110
100
5
112
212
272
492
629
63.9
M20×45深
400PGY14-1B
465
170
210
25
701
110
100
5
112
212
277
502
629
63.9
M20×45深
 
 
[返回]   [打印窗口]   [关闭窗口]

江苏双向泵阀有限公司专业生产油泵|齿轮泵|齿轮油泵|双向润滑油泵|摆线油泵|叶片泵|柱塞泵|液压油泵|润滑泵

专业生产CB-B系列齿轮油泵|CB2系列齿轮油泵|CB2-B系列齿轮油泵|CB3系列齿轮油泵|NB-B系列摆线泵|BB-B系列摆线齿轮泵|HY01系列齿轮油泵|齿轮油泵电机组|SNBY系列双向润滑油
版权所有:江苏双向泵阀有限公司 Copyright(C) tx1588.com All rights reserved 地址:泰兴市新街镇夏徐村西徐工业园区 .电话:0523-87491508 传真:0523-87497508